中国物资再生协会
风光设备循环利用专委会

《光伏组件移动式拆解工艺技术规范》完成立项工作

发表时间:2026-02-25 17:52

根据国家能源局最新数据,2025年我国光伏新增装机3.17亿千瓦,累计装机容量达到12亿千瓦。光伏组件使用寿命通常为20-25年,受使用环境和政策影响,预计到2030年底,全国累计退役光伏组件产生量约180万吨。退役光伏组件的安全处置与资源循环利用,不仅是实现国家“双碳”目标的重要一环,也日益成为光伏行业绿色发展的关键课题。然而,目前国内退役光伏组件回收行业整体水平参差不齐,尤其缺乏针对移动式拆解工艺的统一规范与技术要求,难以满足经济、高效且环保的处理需求。

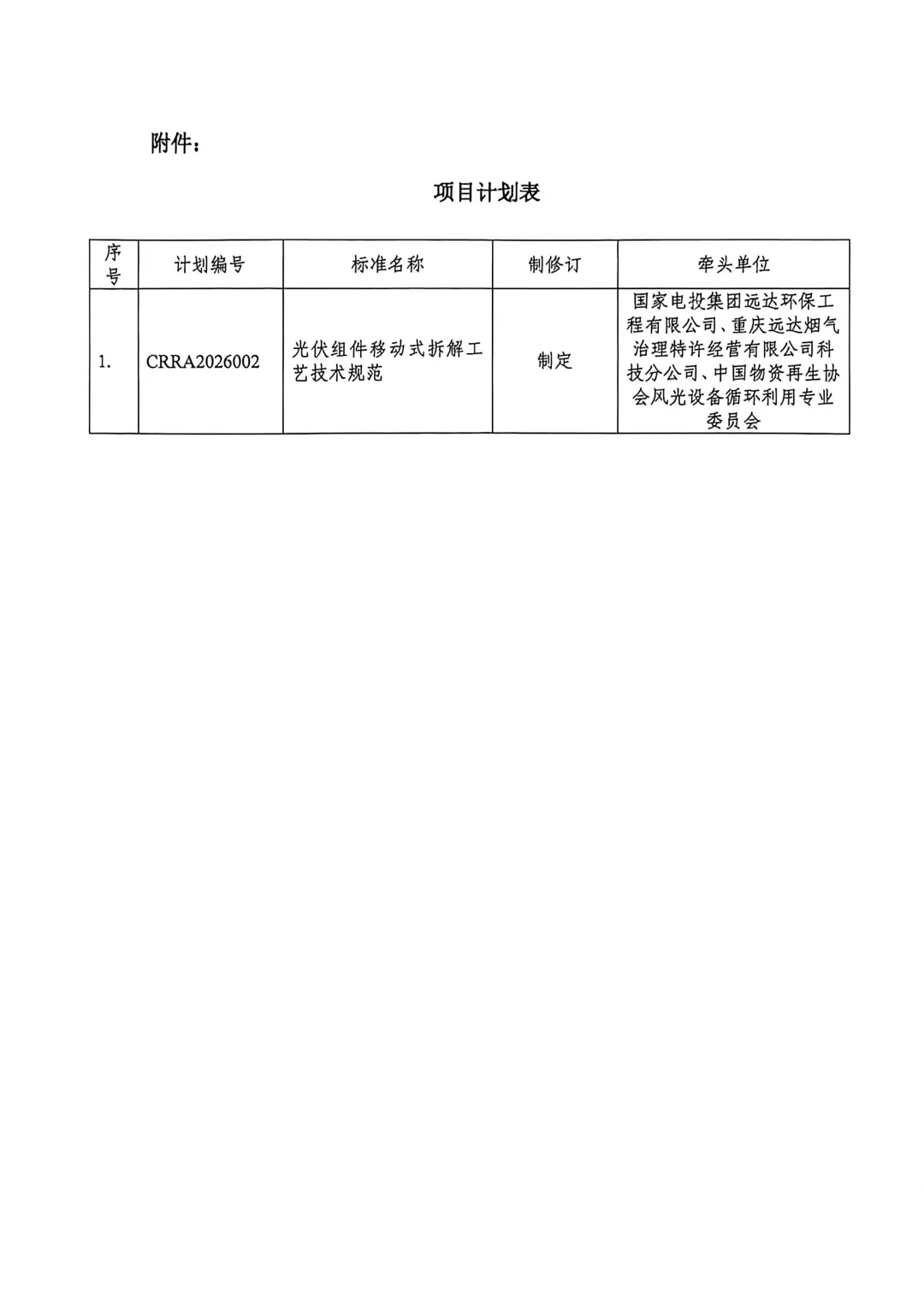
为此,由国家电投集团远达环保工程有限公司、重庆远达烟气治理特许经营有限公司科技分公司和中国物资再生协会风光设备循环利用专业委员会(以下简称“风光专委会”)联合牵头申报的团体标准《光伏组件移动式拆解工艺技术规范》(计划号:CRRA2026002),于2026年2月12日正式获批立项。该标准旨在规范光伏组件移动式拆解工艺技术要求,推动光伏组件绿色高效的回收利用。

下一步,风光专委会将尽快组建标准起草组,有序推进标准编制工作。欢迎行业专家、相关企业及科研单位等积极参与,共同助力该标准的研制与落地。

联系人:

冯先生 18612005925(微信同号)

刘女士 18811767864(微信同号)

邮   箱:bzb@cwser.net

图片
图片
 地址:北京市朝阳区奥运村街道北苑路40号有色金属研究所院内10号楼2层
 邮箱:chinacwser@163.com  
 联系方式: 15313667291
(周一至周五:9:00-18:00)
 ICP备案号:京ICP备12005157号-6
ABUIABAEGAAgr_SLlAYo27Kv4AIw1RI4oBI


中国物资再生协会

风光设备循环利用专业委员会